| Sign In | Join Free | My chinabagsnet.com |
|
Brand Name : Shareway
Model Number : H1302NL
Certification : CE UL RoHS ISO9001:2008
Place of Origin : Guangdong China
MOQ : 100/500/1000
Price : Supportive
Payment Terms : TT,Paypal
Supply Ability : 5000K.PCS/Month
Delivery Time : Stock or 3 weeks
Packaging Details : Tray or Reel
Product name : Single port Isolation transformer H1302NL For Thru-Hole Or SMD
Usage : Pulse
Application : NIC/HUB/Switch/Router/PC System/Printer/Server
TX:RX : 1CT:1CT
Core : 2
Inductance : 350uH
Single port Isolation transformer H1302NL For Thru-Hole Or SMD
Description:
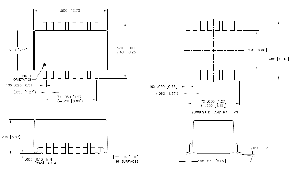
Size: 12.7*7.11*5.97mm
Core No. : 2
Pin No. : 16
Inductance : 350 uH MIN
Type : lan transformer
Speed: 10/100Base-T
Hi-pot :1500Vrms
| PARAMETER | SPECIFICATIONS | ||
| OPERATING TEMPERATURE | 0 - 70 | ||
| TURNS RATIO | 1 :1 ±2% | ||
| POLARITY | PER SCHEMTIC | ||
| INSERTION LOSS | 100KHz | 1-125 MHz | |
| -1.2 dB MAX | -0.2 -0.002*f ^1.4 dB MAX | ||
| RETURN LOSS (Z OUT = 100 OHM ±15%) | 1-30MHz | 30-60HMz | 60-80MHz |
| -16 dB MIN | -10+20*LOG10 (f/60 MHz) dB MIN | -10 dB MIN | |
| INDUCTANCE(OCL) (MEDIA SIDE, 0 -70 ) | 350 uH MIN(MEASUREN AT 100KHz,100mVRMS AND WITH 8mA DC BIAS) | ||
| CROSSTALK, ADJACENT CHANNELS | 1MHz | 10-100MHz | |
| -50 dB MIN | -50+22*LOG 10(f/10) dB MIN | ||
| DIFFERENTIAL TO COMMON MODE REJECTION | 1MHz | 30-200MHz | |
| -42dB MIN | -15+20*LOG 10(f/10) dB MIN | ||
| DC RESISTANCE 1/2 WINDING | .65 OHMS MAX | ||
| DC RESISTANCE IMBALANCE | .065 OHMS MAX (CENTER TAP SYMMETRY) | ||
| INPUT -OUTPUT ISOLATION | 1500 VRMS MIN @ 60 SECONDS | ||
Single port Isolation transformer H1302NL For Thru-Hole Or SMD
Shape and Dimensions:

|
|
Single port ethernet Isolation transformer H1302NL For Thru-Hole Or SMD Images |